Terminal Pins For Electric Heaters
Electrical Terminal RTP
Electrical Terminal STP
Electrical Terminal FDTPElectrical Terminal
Fork Terminal Without Insulating Sheath (for Flexible cables)
- Material: Copper strip
- Finished: Brazed seam,Tin-Plated
- Standard: RoHS3
| Model | Wire Cross Section(mm) | Material Thickness (mm) | Maximum Current | USA Bolt NO. | Bolt Diameter (mm) | Dimension (mm) |
| | T | | | d2 | W | L | F | E | ΦD | Φd |
| STP 0.5-3 | 0.2-0.75 (24-18) | 0.5 | 10A | #4 | 3.1 | 5.8 | 14.2 | 5.1 | 4.3 | 2.3 | 1.3 |
| STP 0.5-4 | #8 | 4.3 | 6.4 | 14.2 | 5.3 |
| | | | | | | | | 4.8 | 3.4 | 1.7 |
| STP 1.25-3 | 0.5-1.5 (22-16) | 0.75 | 19A | #4 | 3.2 | 5.7 | 16.0 | 6.5 |
| STP 1.25-3.5S | #6 | 3.7 | 5.7 | 16.0 | 6.5 |
| STP 1.25-3.5L | #6 | 3.7 | 6.4 | 16.0 | 6.5 |
| STP 1.25.4S | #8 | 4.3 | 6.4 | 16.0 | 6.2 |
| STP 1.25-4M | #8 | 4.3 | 7.2 | 16.0 | 6.5 |
| STP 1.25-4L | #8 | 4.3 | 8.1 | 16.0 | 6.5 |
| STP 1.25-5S | #10 | 5.3 | 8.1 | 16.0 | 6.2 |
| STP 1.25-5L | #10 | 5.3 | 9.5 | 16.0 | 6.5 |
| STP 1.25-6S | 1/4 | 6.4 | 9.5 | 16.0 | 6.5 |
| STP 1.25-6L | 1/4 | 6.4 | 12.0 | 22.0 | 11.0 |
| | | | | | | | | | | |
| STP 2-3 | 1.5-2.5 (16-14) | 0.8 | 27A | #4 | 3.2 | 5.7 | 16.0 | 6.5 | 4.8 | 4.1 | 2.3 |
| STP 2-3.5S | #6 | 3.7 | 5.7 | 16.0 | 6.5 |
| STP 2-3.5L | #6 | 3.7 | 6.2 | 16.0 | 6.0 |
| STP 2-4S | #8 | 4.3 | 6.4 | 16.0 | 6.0 |
| STP 2-4M | #8 | 4.3 | 7.2 | 16.0 | 6.5 |
| STP 2-4L | #8 | 4.3 | 8.1 | 16.0 | 6.0 |
| STP 2-5S | #10 | 5.3 | 8.1 | 16.0 | 6.5 |
| STP 2-5L | #10 | 5.3 | 9.3 | 16.0 | 6.5 |
| STP 2-6S | 1/4 | 6.4 | 9.5 | 16.0 | 6.5 |
| STP 2-6LF | 1/4 | 6.4 | 12.0 | 22.0 | 11.0 |
| | | | | | | | | | | |
| STP 3.5-3 | 2.5-4 (14-12) | 1.0 | 37A | #4 | 3.2 | 5.7 | 18.3 | 7.0 | 6.5 | 5.0 | 3.0 |
| STP 3.5-4S | #8 | 4.3 | 7.2 | 18.3 | 7.0 |
| STP 3.5-4 | #8 | 4.3 | 8.0 | 18.3 | 7.0 |
| STP 3.5-5 | #10 | 5.3 | 8.0 | 18.3 | 7.0 |
| STP 3.5-6 | 1/4 | 6.4 | 12.0 | 21.5 | 8.7 |
| | | | | | | | | | | |
| STP 5.5-3.5 | 4-6 (12-10) | 1.0 | 48A | #6 | 3.7 | 7.2 | 18.2 | 7.5 | 6.8 | 5.6 | 3.4 |
| STP 5.5-4S | #8 | 4.3 | 8.3 | 19.5 | 7.5 |
| STP 5.5-4L | #8 | 4.3 | 9.0 | 19.5 | 7.5 |
| STP 5.5-5 | #10 | 5.3 | 9.0 | 19.5 | 7.5 |
| STP 5.5-6S | 1/4 | 6.4 | 9.0 | 19.5 | 7.5 |
| STP 5.5-6L | 1/4 | 6.4 | 12.0 | 25.5 | 12.0 |
| STP 5.5-8 | 5/16 | 8.4 | 14.0 | 24.5 | 11.5 |
| | | | | | | | | | | |
| STP 8-4 | 6-10 (8) | 1.2 | 62A | #8 | 4.3 | 8.7 | 23.0 | 82. | 8.5 | 7.2 | 4.5 |
| STP 8-5 | #10 | 5.3 | 11.0 | 23.5 | 8.0 |
| STP 8-6 | 1/4 | 6.4 | 12.0 | 24.0 | 9.6 |
| STP 8-8 | 5/16 | 8.4 | 14.5 | 28.0 | 11.4 |
| | | | | | | | | | | |
| STP 14-6 | 10-16 (6) | 1.4 | 88A | 1/4 | 6.4 | 12.0 | 28.0 | 10.3 | 10.5 | 9.0 | 5.8 |
| STP 14-8 | 5/16 | 8.4 | 13.7 | 28.0 | 10.0 |
| | | | | | | | | | | |
| STP 22-8 | 16-25(4) | 1.7 | 115A | 5/16 | 8.4 | 14.0 | 34.5 | 9 | 12.0 | 11.5 | 7.7 |
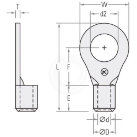
Round Terminals Without Insulation (for Flexible cables)
- Material: Copper strip
- Finished: Brazed seam,Tin-Plated
- Standard: RoHS3
| Model | Wire Cross Section(mm) | Material Thickness (mm) | Maximum Current | USA Bolt NO. | Bolt Diameter (mm) | Dimension (mm) |
| | T | | | d2 | W | L | F | E | ΦD | Φd |
| RTP 0.5-3 | 0.2-0.75 (24-18) | 0.5 | 10A | #4 | 3.2 | 5.7 | 12.6 | 5.4 | 4.3 | 2.3 | 1.3 |
| RTP 0.5-3.5S | #6 | 3.7 | 5.7 | 12.6 | 5.4 |
| RTP 0.5-3.5M | #6 | 3.7 | 6.6 | 14.1 | 6.3 |
| RTP 0.5-4 | #8 | 4.3 | 6.6 | 14.1 | 6.3 |
|
| RTP 1.25-3 | 0.5-1.5 (22-16) | 0.75 | 19A | #4 | 3.2 | 5.7 | 12.6 | 4.9 | 4.8 | 3.4 | 1.7 |
| RTP 1.25-3.5S | #6 | 3.7 | 5.7 | 12.6 | 4.9 |
| RTP 1.25-3.5M | #6 | 3.7 | 6.6 | 14.4 | 6.3 |
| RTP 1.25-3.5L | #6 | 3.7 | 8.0 | 15.8 | 7.0 |
| RTP 1.25-4S | #8 | 4.3 | 6.6 | 14.4 | 6.3 |
| RTP 1.25-4L | #8 | 4.3 | 8.0 | 15.8 | 7.0 |
| RTP 1.25-5S | #10 | 5.3 | 8.0 | 15.8 | 7.0 |
| RTP 1.25-5L | #10 | 5.3 | 9.8 | 17.6 | 7.6 |
| RTP 1.25-6S | 1/4 | 6.4 | 9.8 | 17.6 | 7.6 |
| RTP 1.25-6L | 1/4 | 6.4 | 11.6 | 21.8 | 11.1 |
| RTP 1.25-8 | 5/16 | 8.4 | 11.6 | 21.8 | 11.1 |
| RTP 1.25-10 | 3/8 | 10.5 | 13.6 | 25.5 | 13.9 |
| RTP 1.25-12 | 1/2 | 13.0 | 19.2 | 30.5 | 16.5 |
| | | | | | | | | | | |
| RTP 2-3 | 1.5-2.5 (16-14) | 0.8 | 27A | #4 | 3.2 | 6.6 | 13.0 | 4.3 | 4.8 | 4.1 | 2.3 |
| RTP 2-3.5S | #6 | 3.7 | 6.6 | 13.0 | 4.7 |
| RTP 2-3.5M | #6 | 3.7 | 6.6 | 14.5 | 6.0 |
| RTP 2-3.5L | #6 | 3.7 | 8.5 | 16.8 | 7.7 |
| RTP 2-4S | #8 | 4.3 | 8.6 | 14.5 | 6.5 |
| RTP 2-4L | #8 | 4.3 | 8.5 | 16.8 | 7.7 |
| RTP 2-5S | #10 | 5.3 | 8.5 | 16.8 | 7.7 |
| RTP 2-5L | #10 | 5.3 | 9.5 | 16.8 | 7.0 |
| RTP 2-6S | 1/4 | 6.4 | 9.5 | 16.8 | 7.0 |
| RTP 2-6L | 1/4 | 6.4 | 12.0 | 21.8 | 11.0 |
| RTP 2-8 | 5/16 | 8.4 | 12.0 | 21.8 | 11.0 |
| RTP 2-10 | 3/8 | 10.5 | 14.6 | 25.5 | 13.0 |
| RTP 2-12 | 1/2 | 13.0 | 19.2 | 30.4 | 15.5 |
|
| RTP 3.5-4 | 2.5-4.0 (14-12) | 1.0 | 37A | #8 | 4.3 | 8.0 | 18.0 | 7.7 | 6.0 | 5.0 | 3.0 |
| RTP 3.5-5S | #10 | 5.3 | 8.0 | 18.0 | 7.7 |
| RTP 3.5-5L | #10 | 5.3 | 12.0 | 21.4 | 9.3 |
| RTP 3.5-6 | 1/4 | 6.4 | 12.0 | 21.4 | 9.3 |
| RTP 3.5-8 | 5/16 | 8.4 | 15.0 | 27.5 | 14 |
| RTP 3.5-10 | 3/8 | 10.5 | 15.0 | 27.5 | 14 |
|
| RTP 5.5-3 | 4.0-6.0 (12-10) | 1.0 | 48A | #4 | 3.2 | 7.2 | 16.2 | 6.6 | 6.8 | 5.6 | 3.4 |
| RTP 5.5-3.5 | #6 | 3.7 | 7.2 | 16.5 | 5.9 |
| RTP 5.5-4S | #8 | 4.3 | 7.2 | 16.2 | 5.9 |
| RTP 5.5-4L | #8 | 4.3 | 9.5 | 19.8 | 8.3 |
| RTP 5.5-5 | #10 | 5.3 | 9.5 | 19.8 | 8.3 |
| RTP 5.5-6 | 1/4 | 6.4 | 12.0 | 23.5 | 11.0 |
| RTP 5.5-8 | 5/16 | 8.4 | 15.0 | 28.0 | 13.7 |
| RTP 5.5-10 | 3/8 | 10.5 | 15.0 | 28.0 | 13.7 |
| RTP 5.5-12 | 1/2 | 13.0 | 19.2 | 32.4 | 16.0 |
| | | | | | | | | | | |
| RTP 8-4 | 6.0-10 (8) | 1.2 | 62A | #8 | 4.3 | 8.8 | 23.8 | 11.0 | 8.5 | 7.2 | 4.5 |
| RTP 8-4L | #8 | 4.3 | 12.0 | 23.8 | 9.3 |
| RTP 8-5S | #10 | 5.3 | 8.8 | 23.8 | 11.3 |
| RTP 8-5M | #10 | 5.3 | 12.0 | 23.8 | 9.3 |
| RTP 8-5L | #10 | 5.3 | 15.0 | 29.8 | 13.8 |
| RTP 8-6S | 1/4 | 6.4 | 12.0 | 23.8 | 9.3 |
| RTP 8-6L | 1/4 | 6.4 | 15.0 | 29.8 | 14.0 |
| RTP 8-8 | 5/16 | 8.4 | 15.0 | 29.8 | 13.8 |
| RTP 8-10 | 3/8 | 10.5 | 15.0 | 29.8 | 13.8 |
| RTP 8-12 | 1/2 | 13.0 | 22.0 | 39.5 | 20.5 |
| | | | | | | | | | | |
| RTP 14-4 | 10-16 (6) | 1.4 | 88A | #8 | 4.3 | 12.0 | 29.8 | 13.3 | 10.5 | 9.0 | 6.2 |
| RTP 14-5 | #10 | 5.3 | 12.0 | 29.8 | 13.3 |
| RTP 14-6S | 1/4 | 6.4 | 12.0 | 29.8 | 13.3 |
| RTP 14-6L | 1/4 | 6.4 | 16.0 | 32.8 | 14.3 |
| RTP 14-8 | 5/16 | 6.4 | 16.0 | 32.8 | 14.3 |
| RTP 14-10 | 3/8 | 10.5 | 16.0 | 32.8 | 14.5 |
| RTP 14-12 | 1/2 | 13.0 | 22.0 | 41.0 | 19.5 |
| RTP 14-14 | 9/16 | 15.0 | 30.0 | 51.0 | 25.0 |
| RTP 14-16 | 5/8 | 17.0 | 30.0 | 51.0 | 26.0 |
| RTP 14-18 | 11/16 | 19.0 | 30.0 | 51.0 | 27.0 |
| RTP 14-20 | 3/4 | 21.0 | 30.0 | 51.0 | 28.0 |
| | | | | | | | | | | |
| RTP 22-5S | 16-25 (4) | 1.7 | 115A | #10 | 5.3 | 12.2 | 33.0 | 15.0 | 4.3 | 2.3 | 1.3 |
| RTP 22-5L | #10 | 5.3 | 16.5 | 33.7 | 14.0 |
| RTP 22-6S | 1/4 | 6.4 | 12.2 | 33.2 | 15.0 | 12.0 | 11.6 | 8.2 |
| RTP 22-6L | 1/4 | 6.4 | 16.5 | 33.7 | 14.0 |
| RTP 22-8 | 5/16 | 8.4 | 16.5 | 33.7 | 13.5 |
| RTP 22-10 | 3/8 | 10.5 | 16.5 | 33.7 | 13.5 |
| RTP 22-12 | 1/2 | 13.0 | 22.0 | 42.5 | 19.5 |
| RTP 22-14 | 9/16 | 15.0 | 30.0 | 51.0 | 24.0 |
| RTP 22-16 | 5/8 | 17.0 | 30.0 | 51.0 | 25.0 |
| RTP 22-18 | 11/16 | 19.0 | 30.0 | 51.0 | 26.0 |
| RTP 22-20 | 3/4 | 21.0 | 30.0 | 51.0 | 27.0 |
| | | | | | | | | | | |
| RTP 38-5 | 35-50 (2) | 0.8 | 160A | #10 | 5.3 | 15.3 | 39.0 | 18.0 | 14.0 | 13.3 | 9.4 |
| RTP 38-6 | 1/4 | 6.4 | 15.3 | 39.0 | 18.0 |
| RTP 38-6L | 1/4 | 6.4 | 22.0 | 42.7 | 17.7 |
| RTP 38-8S | 5/16 | 8.4 | 15.3 | 39.0 | 18.0 |
| RTP 38-8L | 5/16 | 8.4 | 22.0 | 42.7 | 17.7 |
| RTP 38-10S | 3/8 | 10.5 | 15.3 | 39.0 | 18.0 |
| RTP 38-10L | 3/8 | 10.5 | 22.0 | 42.7 | 17.7 |
| RTP 38-12 | 1/2 | 13.0 | 22.0 | 42.7 | 17.7 |
| RTP 38-14 | 9/16 | 15.0 | 30.0 | 52.2 | 22.5 |
| RTP 38-16 | 5/8 | 17.0 | 30.0 | 52.2 | 23.5 |
| RTP 38-18 | | | | 11/16 | 19.0 | 30.0 | 52.2 | 245 |
| RTP 38-20 | | | | 3/4 | 21.0 | 30.0 | 52.2 | 23.0 |
| | | | | | | | | | | |
| RTP 60-6 | 50-70 (1/0) | 1.7 | 215A | 1/4 | 6.4 | 22.0 | 49.7 | 20.7 | 18.0 | 15.4 | 12.0 |
| RTP 60-8 | 5/16 | 8.4 | 22.0 | 49.7 | 20.7 |
| RTP 60-10 | 3/8 | 10.5 | 22.0 | 49.7 | 20.7 |
| RTP 60-12 | 1/2 | 13.0 | 22.0 | 49.7 | 20.7 |
| RTP 60-14 | 9/16 | 15.0 | 32.0 | 49.7 | 23.5 |
| RTP 60-16 | 5/8 | 17.0 | 32.0 | 57.5 | 23.5 |
| RTP 60-18 | 11/16 | 19.0 | 32.0 | 57.5 | 23.5 |
| RTP 60-20 | 3/4 | 21.0 | 32.0 | 57.5 | 23.5 |
| RTP 60-22 | 7/8 | 22.0 | 32.0 | 57.5 | 23.5 |
| | | | | | | | | | | |
| RTP 70-6 | 70-95 (2/0) | 2.0 | 235A | 1/4 | 6.4 | 24.0 | 51.0 | 20.0 | 19.0 | 17.5 | 13.5 |
| RTP 70-8 | 5/16 | 8.4 | 24.0 | 51.0 | 20.0 |
| RTP 70-10 | 3/8 | 10.5 | 24.0 | 51.0 | 20.0 |
| RTP 70-12 | 1/2 | 13.0 | 24.0 | 51.0 | 20.0 |
| RTP 70-14 | 9/16 | 15.0 | 32.0 | 61.0 | 26.0 |
| RTP 70-16 | 5/8 | 17.0 | 32.0 | 61.0 | 26.0 |
| RTP 70-18 | 11/16 | 19.0 | 32.0 | 61.0 | 26.0 |
| RTP 70-20 | 3/4 | 21.0 | 32.0 | 61.0 | 26.0 |
| RTP 70-22 | 7/8 | 23.0 | 32.0 | 61.0 | 26.0 |
|
| RTP 80-6 | 95-120 (3/0) | 2.2 | 255A | 1/4 | 6.4 | 27.0 | 54.2 | 22.7 | 20.0 | 19.5 | 15.0 |
| RTP 80-8 | 5/16 | 8.4 | 27.0 | 54.2 | 22.7 |
| RTP 80-10 | 3/8 | 10.5 | 27.0 | 54.2 | 22.7 |
| RTP 80-12 | 1/2 | 13.0 | 27.0 | 54.2 | 22.7 |
| RTP 80-14 | 9/16 | 15.0 | 32.0 | 68.0 | 32.0 |
| RTP 80-16 | 5/8 | 17.0 | 32.0 | 68.0 | 32.0 |
| RTP 80-18 | 11/16 | 19.0 | 32.0 | 68.0 | 32.0 |
| RTP 80-20 | 3/4 | 21.0 | 32.0 | 68.0 | 32.0 |
| RTP 80-22 | 7/8 | 23.0 | 32.0 | 68.0 | 32.0 |
| | | | | | | | | | | |
| RTP 100-6 | 120-150 (4/0) | 2.6 | 300A | 1/4 | 6.4 | 27.0 | 54.2 | 22.7 | 20.0 | 19.5 | 15.0 |
| RTP 100-8 | 5/16 | 8.4 | 27.0 | 54.2 | 22.7 |
| RTP 100-10 | 3/8 | 10.5 | 27.0 | 54.2 | 22.7 |
| RTP 100-12 | 1/2 | 13.0 | 27.0 | 54.2 | 22.7 |
| RTP 100-14 | 9/16 | 15.0 | 32.0 | 68.0 | 32.0 |
| RTP 100-16 | 5/8 | 17.0 | 32.0 | 68.0 | 32.0 |
| RTP 100-18 | 11/16 | 19.0 | 32.0 | 68.0 | 32.0 |
| RTP 100-20 | 3/4 | 21.0 | 32.0 | 68.0 | 32.0 |
| RTP 100-22 | 7/8 | 23.0 | 32.0 | 68.0 | 32.0 |
| | | | | | | | | | | |
| RTP 150-8 | 150-185 (250/300) | 3.2 | 395A | 5/16 | 8.4 | 36.5 | 66.0 | 23.0 | 27.0 | 27.0 | 20.0 |
| RTP 150-10 | 3/8 | 10.5 | 36.5 | 66.0 | 23.0 |
| RTP 150-12 | 1/2 | 13.0 | 36.5 | 66.0 | 23.0 |
| RTP 150-14 | 9/16 | 15.0 | 36.5 | 66.0 | 23.0 |
| RTP 150-16 | 5/8 | 17.0 | 36.5 | 66.0 | 23.0 |
| RTP 150-18 | 11/16 | 19.0 | 36.5 | 66.0 | 23.0 |
| RTP 150-20 | 3/4 | 21.0 | 36.5 | 66.0 | 23.0 |
| RTP 150-22 | 7/8 | 23.0 | 36 | 81.0 | 36.0 |
| RTP 150-24 | 15/16 | 25.0 | 36 | 81.0 | 36.0 |
| RTP 150-27 | 1 | 28.0 | 36 | 81.0 | 36.0 |
| | | | | | | | | | | |
| RTP 180-8 | 185-240 (300/350) | 3.5 | 440A | 5/16 | 8.4 | 38.5 | 69.0 | 23.5 | 28.5 | 28.6 | 21.0 |
| RTP 180-10 | 3/8 | 10.5 | 38.5 | 69.0 | 23.5 |
| RTP 180-12 | 1/2 | 13.0 | 38.5 | 69.0 | 23.5 |
| RTP 180-14 | 9/16 | 15.0 | 38.5 | 69.0 | 23.5 |
| RTP 180-16 | 5/8 | 17.0 | 38.5 | 69.0 | 23.5 |
| RTP 180-18 | 11/16 | 19.0 | 38.5 | 69.0 | 23.5 |
| RTP 180-20 | 3/4 | 21.0 | 38.5 | 69.0 | 23.5 |
| RTP 180-22 | 7/8 | 23.0 | 38.5 | 69.0 | 23.5 |
| RTP 180-24 | 15/16 | 25.0 | 38.5 | 86.6 | 39.0 |
| RTP 180-27 | 1 | 28.0 | 38.5 | 86.6 | 39.0 |
| | | | | | | | | | | |
| RTP 200-8 | 240-300 (400/500) | 4.0 | 470A | 5/16 | 8.4 | 44.0 | 78.0 | 24.5 | 31.5 | 32.6 | 24.0 |
| RTP 200-10 | 3/8 | 10.5 |
| RTP 200-12 | 1/2 | 13.0 |
| RTP 200-14 | 9/16 | 15.0 |
| RTP 200-16 | 5/8 | 17.0 |
| RTP 200-18 | 11/16 | 19.0 |
| RTP 200-20 | 3/4 | 21.0 |
| RTP 200-22 | 7/8 | 23.0 |
| RTP 200-24 | 15/16 | 25.0 |
| RTP 200-27 | 1 | 28.0 | 44.0 | 91.0 | 37.5 |
| | | | | | | | | | | |
| RTP 325-8 | 300-400 (500/600) | 4.2 | 650A | 5/16 | 8.4 | 50.5 | 87.5 | 26.0 | 35.5 | 37.1 | 28.5 |
| RTP 325-10 | 3/8 | 10.5 |
| RTP 325-12 | 1/2 | 13.0 |
| RTP 325-14 | 9/16 | 15.0 |
| RTP 325-16 | 5/8 | 17.0 |
| RTP 325-18 | 11/16 | 19.0 |
| RTP 325-20 | 3/4 | 21.0 |
| RTP 325-22 | 7/8 | 23.0 |
| RTP 325-24 | 15/16 | 25.0 |
| RTP 325-27 | 1 | 28.0 |
PVC Fully Insulated Female Terminal (for Flexible cables)
- Material: Brass
- Finished: Brazed seam,Tin-Plated
- Sheath: PVC
- Standard::RoHS3
| Model | Wire Cross Section(mm) | Maximum Current | Material Thickness (mm) | Connecting Spec. | Dimension (mm) | Color |
| | | | | W | L | ΦD | Φd | |
| FDTP 1.25-187(5) | 0.5-1.5 (22-16) | 10A | 0.4 | 0.5x4.75 | 5.0 | 20.0 | 3.7 | 1.7 | RED |
| FDTP 1.25-187(8) | 0.8x4.75 | 5.0 | 20.0 |
| FDTP 1.25-250 | 0.8x6.35 | 6.6 | 22.5 |
| | | | | | | | | |
| FDTP 2-187(5) | 0.5-1.5 (16-14) | 15A | 0.4 | 0.5x4.75 | 5.0 | 20.0 | 4.1 | 2.3 | BLUE |
| FDTP 2-187(8) | 0.8x4.75 | 5.0 | 20.0 |
| FDTP 2-250 | 0.8x6.35 | 6.6 | 23.5 |
| | | | | | | | | |
| FDTP 5.5-250 | 4-6 (12-10) | 24A | 0.4 | 0.8x6.35 | 6.6 | 24.0 | 5.4 | 3.4 | YELLOW |
Customers who bought this product also bought

Silicon Oil For Electric Heating Elements

Sharpening Machine Of Needle Wire Cnc

Resistance Wire Nickel Chromium

Resistance Wire Nickel Chromium

Automatic Wire Tube Decoiling Straightening Cutting XZ04SX

Automatic Wire Feeder

High Temperature Fire Resistant Cable

High Temperature Silicone Cables

Compensation Wire For Thermocouple

High Temperature Silicone Cables

Ceramics For Band Heater

Magnesia Rod 480

Ceramic C-1

Ceramic 42

Teflon Film Tape

Resistance Strip High Temperature

CNC Wire Decoiling Straightening And Cutting Machine XZ04SXH

CNC Wire Decoiling Straightening And Cutting Machine XZ04SZ

Ceramica 14

Fiber Laser Cutting Machine

90 Degree Tube Bending Machine

Automatic Wire Tube Decoiling Straightening Cutting Machine

Wire Decoiling Straightening And Cutting Machine XZ04

High Temperature Plug S0017

Straightener For Pipe And Rod Of Brass And Aluminum

Straightening Machine XZ01-3

Automatic Testing Machine For Heating Elements 2

Hydraulic Stretching Machine

Sleeving Fibra De Vidrio Dentro Y Silicona Fuera

Flange For Heating Elements

Cold Rolled Coil Strip And Sheet

Silica Sleeving 1000°C

Silicone Resin Coated Fiberglass Sleeving

Stainless Steel Foil

Moisture Exhausting Furnace For Heating Elements

Bright Annealing furnace

Swaging Machine DGSG01

Single Tank Ultrasonic Washing Machine

Stainless Steel Tube Making Machine

Filling Machine For Tubular Heater TF02

Filling Machine For Cartridge Heater DGTF01

Magnesium Oxide Insulator

Fiberglass Sleeving 600°C

Terminal Pin Chamfering Machine TP02

Powder Digging Machine

Wire Winding Machine RX01

Mgo Rod Coiling Machine DGRX01

Mica Coiling Machine Automatic Feeding

Mica Winder Deep U Shape

Mica Winder V Shape

Spring Winder

Wire Coiling Machine For Hot Runner Heater

Fiber Laser Cutting Machine

Aluminum Fin Tube Powder Filling Machine

Terminal Pin Grinding Machine TP01

High Frequency Annealing Machine

Winding Machine For Fin Heater RP01

Heater Testing And Feeding Machine SL01

Assembling Machine TP07

Wire Trimming Machine

Bending Machine For Hot Runner Heater RDWG01

Bending Machine WG03

U shape Hydraulic Bending Machine WG02-Y

Bending Machine WG01

Bent Hook Forming Machine For Needle

Rolling Mill Improve The Accuracy

Edge Rolling Machine For Band Heater

Swaging Machine for Hot Runner Heater RDSG01

Three Guide Tube Filling Machine | Latest |For Long Tube

Filling Machine RDTF01

Fiber Laser Marking Machine1

Crimping Machine

Copper Tube Making Machine

Polishing Machine PG01-1

Reducing Rolling Mill SG01-8

Semi Automatic Drum Making Machine

Soldering Machine For Flange Heater QH02

Spot Annealing Machine TH01

Trim Machine CG01

Trim Machine CG02

Tube Cutting Machine QG01

Bending Machine WG01

Pneumatic Semi Automatic Marking Machine

Fiber Laser Marking Machine1

Flexible Mica Plate For Mica Heater

Magnesium Oxide Powder Low Temperature TED-1

Magnesium Oxide Powder High Temperature TEG-1

Magnesium Oxide Powder Middle Temperature TEZ-1

Metal Accessories For Heating Elements

Eddy Current Tester

Nylon Wheel

Sealant Epoxy For Electric Heaters

Sealant Silicone Rtv For Electric Heaters

Tube Cutting Machine QG01

Cap Welding Machine DGHD01

Spot Welding Machine DH01